retour en haut de page

Les news du site

Catégorie photo Architecture

Grâce à vous et aux photos que vous nous avez envoyés, nous avons créé la catégorie photo Architecture. Vous pouvez envoyer d'autres photos en cliquant ici. Merci pour votre contribution.

Nouveau Partenaire - NP-Metal.fr

NP-Metal.fr est devenu partenaire d'Echoumac. Nos partenaires.

Les Exercices Initiation d'Autocad

Il y en a plus de 30. Les avez-vous terminé?

Autocad Initiation


image

Exercice N°1

Faire l'exercice en utilisant l'outil "ligne"

image

Exercice N°2

Faire l'exercice en utilisant l'outil "ligne"

image

Exercice N°3

Faire l'exercice en utilisant les outils "Ligne" et "Hachures". Vous pouvez mettre la cotation.

image

Exercice N°4

Faire l'exercice en utilisant les outils "Ligne" et "Hachures". Vous pouvez mettre la cotation.

image

Exercice N°5

Faire l'exercice en utilisant l'outil de tracé angulaire (utilisation de la touche ‹ › )

image

Exercice N°6

Faire l'exercice en utilisant l'outil de tracé angulaire. Mettre la cotation et les hachures.

image

Exercice N°6-1

Faire l'exercice en utilisant l'outil de tracé angulaire. Mettre la cotation et les hachures.

image

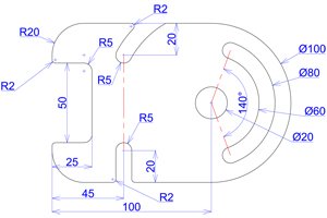
Exercice N°7

Faire l'exercice en utilisant les outils "Raccord" et "Cercle". Mettre les cotations.

image

Exercice N°7-1

Faire l'exercice en utilisant les outils "Raccord" et "Cercle". Mettre les cotations.

image

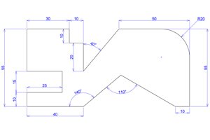
Exercice N°7-2

Faire l'exercice en utilisant l'outil de tracé angulaire. Mettre les cotations.

image

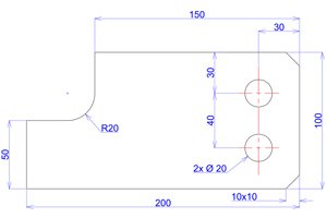
Exercice N°8

Faire l'exercice en utilisant les outils "Rectangle" et "Réseau Rectangulaire". Mettre la cotation.

image

Exercice N°9

Faire l'exercice en utilisant les outils nécessaires. Mettre les cotations.

image

Exercice N°10

Faire l'exercice en utilisant les outils nécessaires. Mettre les hachures et les cotations.

image

Exercice N°11

Faire l'exercice en utilisant les outils nécessaires. Mettre les cotations.

image

Exercice N°12

Faire l'exercice en utilisant les outils nécessaires. Mettre les hachures et les cotations.

image

Exercice N°13

Faire l'exercice en utilisant les outils nécessaires. Mettre les cotations.

image

Exercice N°14

Faire l'exercice en utilisant les outils nécessaires. Mettre les cotations.

image

Exercice N°15

Faire l'exercice en utilisant les outils nécessaires. Mettre les cotations.

image

Exercice N°16

Faire l'exercice en utilisant les outils nécessaires. Mettre les cotations.

image

Exercice N°16-1

Faire l'exercice en utilisant les outils nécessaires. Mettre les cotations.

image

Exercice N°17

Faire l'exercice en utilisant les outils nécessaires. Mettre les hachures et les cotations.

image

Exercice N°18

Faire l'exercice en utilisant les outils nécessaires. Mettre les hachures et les cotations.

image

Exercice N°19

Faire l'exercice en utilisant les outils nécessaires. Mettre les cotations.

image

Exercice N°19-1

Faire l'exercice en utilisant les outils nécessaires. Mettre les cotations.

image

Exercice N°20

Faire l'exercice en utilisant les outils nécessaires. Mettre les cotations.

image

Exercice N°20-1

Faire l'exercice en utilisant les outils nécessaires. Mettre les cotations.

image

Exercice N°21

Faire l'exercice en utilisant les outils nécessaires. Mettre les cotations.

image

Exercice N°21-1

Faire l'exercice en utilisant les outils nécessaires. Mettre les cotations.

image

Exercice N°22

Faire l'exercice en utilisant les outils nécessaires. Mettre les cotations.

image

Exercice N°23

Faire l'exercice en utilisant les outils nécessaires. Mettre les cotations.

image

Exercice N°24

Faire l'exercice en utilisant les outils nécessaires. Mettre les cotations.

image

Exercice N°25

Faire l'exercice en utilisant les outils nécessaires. Mettre les cotations.

image

Exercice N°26

Faire l'exercice en utilisant les outils nécessaires. Mettre les cotations.

image

Exercice N°27

Faire l'exercice en utilisant les outils nécessaires. Aucunes cotes ne sont données. Vous devez recopier au mieux le dessin existant.

image

Exercice N°28

Faire l'exercice en utilisant les outils nécessaires. Aucunes cotes ne sont données. Vous devez recopier au mieux le dessin existant.

image

Exercice N°29

Faire l'exercice en utilisant les outils nécessaires. Mettre les cotations.

image

Exercice N°30

Faire l'exercice en utilisant les outils nécessaires. Mettre les cotations.

image

Exercice N°30-1

Faire l'exercice en utilisant les outils nécessaires. Mettre les cotations.

image

Exercice N°31

Faire l'exercice en utilisant les outils nécessaires. Mettre les cotations.

Planche 1
Planche 2
Planche 3
Planche 4
Planche 5